Malm 41.5" Imperial Carousel Freestanding Wood Burning Fireplace
Malm 41.5" Imperial Carousel Freestanding Wood Burning Fireplace
Imperial Carousel Freestanding Fireplace is available in wood-burning and gas-fuel models Hand Crafted in America by MALM
Imperial Carousel
Performance nears perfection with a beautiful swirling burning action. This is accomplished by a patented internal design that develops a near complete burn with a minimum of ash pollution. The carousel must be considered the crowning achievement in fireplace design the most desirable selection possible for the discriminating owner to whom this fireplace will have special meaning and purpose.
You have to see the Carousel in action. The swirling flames produce a flame that is completely different from any fire you have seen. The flames never touch the glass therefore smoke is very slow to build upon the glass. The swirling action assures a complete burn so there is little ash.
Finishes
- Matte Black
- Porcelain colors - Almond, Ash, Black, Blue, Camel, Clay, Forest Green, Slate Gray, Terra Cotta, White
- Solid Brass Satin or Satin Stainless Steel (Designer Models) - Contact us for special order information and prices.
Features
- Dramatic swirling flames provide greater heat efficiency
- Unit comes with double wall pipe to an 8-foot ceiling, refractory, and ceramic glass.
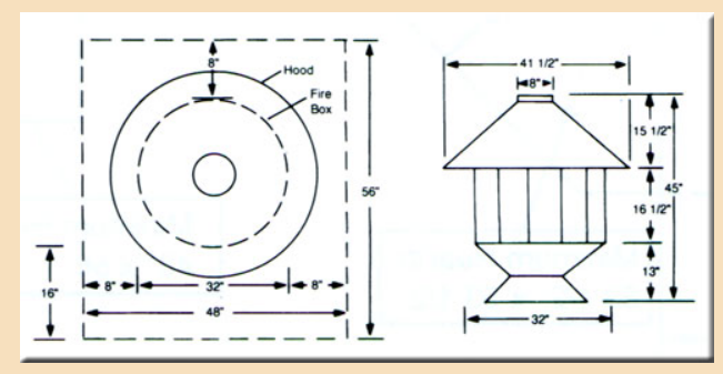
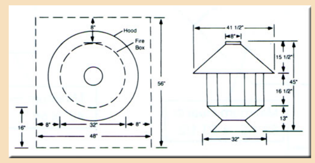
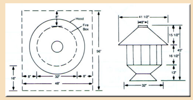
Specifications
| Model Name |
Imperial Carousel |
| Fuel Type | Wood Burning |
| Connector size | 8" |
| Overall Width |
41.5" |
| Overall Height | 96" |
| Weight | 250 lbs. |
| Clearance to Combustible Wall |
24" |
| Tested to | U/L Standard 737 & ULC-S627-00 |

Warranty
- Limited 5-year warranty
- Malm Warranty does not cover if the fireplace is used outdoors or in outdoor exposure
Downloads
About Malm Fireplaces
Malm began making fireplaces in 1960. Malm fireplaces are designed and manufactured in California's Sonoma County near the famed wine country. Modern or traditional designs are available, designed with solid craftsmanship and quality materials.
Our freestanding fireplaces are perfect for today's busy lifestyles. Traditional masonry brick fireplaces take hours to heat the mass of bricks and waste much of the heat. Malm fireplaces heat up rapidly and radiate heat efficiently in all directions. Unlike traditional wood-burning fireplaces, our fireplaces allow you a clear view of your fire from any angle and are available in a range of designer colors.
Malm's selection of architect-designed fireplaces is available in a variety of porcelain colors, brass, stainless, nickel, copper-plated, or matte black finish.
Malm also designs and creates custom fireplaces. Designs include larger size models of the standard units to large units constructed with exotic metal finishes and glass.
Safety Notice
- Do not install this unit in a mobile home.
- If this fireplace is not properly installed, a house fire may result. To reduce the risk of fire, follow the installation instructions. Contact local building or fire officials about restrictions and installation inspection requirements in your area.
- This stove must be connected to (1) a chimney complying with the requirements for Type HT chimneys in the Standard for Chimneys, Factory-Built, Residential Type and Building Heating Appliance, UL 103, or (2) a code-approved masonry chimney with a flue liner.
- Please read this entire manual before you install and use your new fireplace. Failure to follow instructions may result in property damage, bodily injury, or even death.
- Never store or allow papers, kindling, firewood, or any other combustibles within 48 inches of the unit.
Share

Our Top Collections
-
All fireplaces
Explore our complete range of fireplaces designed to elevate any living space....
-
Don Bar Indoor Fireplace
Discover the bold craftsmanship of the Don Bar Indoor Fireplace collection, featuring...
-
Wood-Burning Stoves - Stûv
The Stûv is a wood stove that excels in both efficiency and...
-
Pizza Ovens
Outdoor handcrafted Italian pizza ovens can either gas, wood or Hybrid (both)...
-
Greenhouse
Explore our extensive collection of greenhouses designed to meet various gardening needs....
-
Dorako Wood Burning Stove Fireplace
Experience timeless warmth and rustic charm with our Dorako Wood Burning Stove...
-
Chicago Brick Oven | Ranges
Experience the difference of a Range built for passionate cooks who demand...
